Котел 800 кВт уголь дрова в Сарани

Котел 800 кВт дрова уголь
Котел 800 кВт уголь дрова
Котел 800 кВт уголь дрова с колосниками чертеж
Чертеж котла на угле дровах 800 кВт колосниками
Котел 800 кВт уголь дрова с ОУР чертеж
Чертеж котла на угле дровах 800 кВт с ОУР
Котел 800 кВт угольно дровяной
Угольно дровяной котел 800 кВт
Шибер газохода котла 800 кВт на дровах угле
Шибер газохода котла 800 кВт на угле дровах
Котел 800 кВт уголь дрова - обмуровка
Обмуровка котла 800 кВт уголь дрова
Котел 800 кВт уголь дрова - производство
Производство котла 800 кВт уголь дрова
Промышленный котел 800 кВт уголь дрова - изготовление
Изготовление промышленного котла 800 кВт уголь дрова
Котел 800 кВт уголь дрова - топка с охлаждаемыми колосниками
Топка с охлаждаемыми колосниками котла 800 кВт уголь дрова
Котел 800 кВт уголь дрова - колосниковая топка
Колосниковая топка котла 800 кВт уголь дрова
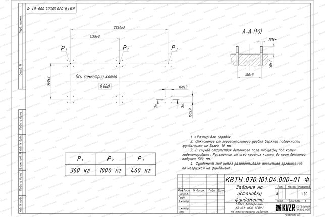
Котел на угле дровах 800 кВт с колосниками фундамент
Чертеж фундамента котла 800 кВт уголь дрова с колосниками
Котел на угле дровах 800 кВт с ОУР фундамент
Чертеж фундамента котла 800 кВт уголь дрова с ОУР
Котел 800 кВт дрова уголь
Котел 800 кВт уголь дрова с колосниками чертеж
Котел 800 кВт уголь дрова с ОУР чертеж
Котел 800 кВт угольно дровяной
Шибер газохода котла 800 кВт на дровах угле
Котел 800 кВт уголь дрова - обмуровка
Котел 800 кВт уголь дрова - производство
Промышленный котел 800 кВт уголь дрова - изготовление
Котел 800 кВт уголь дрова - топка с охлаждаемыми колосниками
Котел 800 кВт уголь дрова - колосниковая топка
Котел на угле дровах 800 кВт с колосниками фундамент
Котел на угле дровах 800 кВт с ОУР фундамент
Цена
3 835 380 ₸
От 3 835 380 ₸ с доставкой до г.
Логотип WhatsApp Связаться
по WhatsApp
  • Универсальная модель эффективно работает на угле и дровах
  • Работает на дровах типа полено, поддонах, крупных кусковых отходах деревопереработки
  • Две топочные дверки: нижняя для загрузки угля, верхняя для закладки дров
  • Надежная работа котла обеспечивается изготовлением трубной системы из трубы сталь 10, 20 повышенной прочности

Технические характеристики

МаркаКотел 800 кВт уголь дрова
ВидВодогрейный
Тип отопительного котлаКомбинированный
БрендHEATEXPERT
ТипКотел уголь дрова
Вид топкиРучная, Колосники, ОУР
Максимальная тепловая мощность0.8 МВт
Максимальная тепловая мощность800 кВт
Максимальная тепловая мощность0.69 Гкал
Диапазон регулирования мощности50-100 %
ТопливоТвердое, Уголь, Дрова
Низшая теплота сгорания проектного топлива5230 кКал/кг
Низшая теплота сгорания резервного топлива2440 кКал/кг
Влажность топлива40 %
КПД котла на УГЛЕ, не менее80 %
КПД котла на ДРОВАХ, не меннее65 %
Расход УГЛЯ среднечасовой за отопительный сезон82 кг/ч
Расход ДРОВ среднечасовой за отопительный сезон216.3 кг/ч
Расход ДРОВ среднечасовой за отопительный сезон0.5 м³/ч
Расход УГЛЯ при максимальной нагрузке котла143.5 кг/ч
Расход ДРОВ при максимальной нагрузке котла378.6 кг/ч
Расход ДРОВ при максимальной нагрузке котла0.8 м³/ч
Расход условного топлива107 кг/ч
Максимальная температура воды на выходе из котла115 °С
Минимальная температура воды на входе в котел55 °С
Давление воды, не более0.3-0.6 (3-6) МПа (кгс/см²)
Номинальный расход теплоносителя28 м³/ч
Расход теплоносителя через котел min-max21-34 м³/ч
Гидравлическое сопротивление при номинальном расходе0.07 (0.7) МПа (кгс/см²)
Аэродинамическое сопротивление320 (32.63) Па (мм. вод. ст.)
Разряжение в топочной камере20-40 (2-4) Па (мм. вод. ст.)
Объем уходящих газов3450 м³/ч
Температура уходящих газов220 °С
ТягаУравновешенная
Водяной объем котла600 л
Объем топочной камеры2.1 м³
Размер топочной камеры, длина*ширина*высота1465х960х1500 мм
Активная площадь решетки горения1.4 м²
Присоединительные размеры по водяному тракту80 Ду
Присоединительные размеры газохода уходящих газов, ширина*высота / сечение600х200 / 0.12 мм/м²
Габаритные размеры котла, длина*ширина*высота2700х1600х2150 мм
Масса2500 кг
Количество контуровОдноконтурный
РазмещениеНапольный
Тип камеры сгоранияОткрытый
УправлениеЭлектронное
Принцип работы твердотопливного котлаКлассический
ЭнергонезависимыйНет
Тип питанияТрехфазное
Встроенный циркуляционный насосНет
Встроенный расширительный бакНет
ЭнергоэффективностьВысокая
Отапливаемая площадьот 6200 до 8900 м²
Отапливаемый объемот 18500 до 26500 м³
Размеры корпуса котла, длина*ширина*высота мм

Котел отопления уголь дрова 800 кВт в Сарани

Водогрейные твердотопливные котлы уголь дрова 800 кВт предназначены для отопления и горячего водоснабжения больших промышленных предприятий и маленьких зданий. Котлы устанавливаются в котельных с ручными топками, в которых используются оба вида твердого топлива.

Основные характеристики угольно дровяного котла 800 кВт:

  • мощность – 0,8 МВт, 800 кВт, 0,69 Гкал;
  • основное топливо – каменный и бурый уголь;
  • резервное топливо – дрова;
  • температура воды – до 115 °С;
  • давление воды – до 0,6 МПа.

Следует учитывать различие теплотворных свойств угля и дров. Номинальная мощность котлоагрегата будет достигаться только при использовании основного вида топлива – угля. При работе на резервном древесном топливе мощность агрегата будет меньше. Поэтому, для верного подбора мощности данной комбинированной модели, необходимо определить какое топливо будет основным, какое резервным.

Конструкция котла 800 кВт на угле на дровах

Промышленный отопительный котел 800 кВт уголь дрова – водотрубный, газоплотный, напольный, выполнен в вертикальном расположении. Топка выполняется с чугунными, либо водоохлаждаемыми колосниками, с газоплотным топочным пространством и зольником. Вварка стальной полосы между охлаждаемыми трубами обеспечивает газоплотность топки и исключает подсос холодного воздуха в зону горения. В верхней части котлоагрегата установлен двухходовой конвективный пакет. Для очистки конвективной части установлен люк. На фронтовой плите устанавливаются две топочные дверки, расположенные одна над другой. Каркас котлоагрегата выполнен газоплотным, с установленной на нем теплоизоляцией, обшитой стальными листами.

Топочная часть

Комбинированный водонагревательный котел 800 кВт для дров и угля имеет большой объем топочной камеры для загрузки объемного древесного топлива. Габариты топки способствуют более полному выгоранию топлива.

Колосниковая топка

Чугунные колосники укладываются в топку для поддержания слоя топлива. Провал золы происходит через отверстия в колосниках. Чтобы отверстия не забивались, снизу они расширяются. Дрова забрасываются на решетку через верхнюю дверцу, уголь через нижнюю. Верхняя загрузка способствует равномерному заполнению топочной камеры и контролю процесса горения. Под колосниками находится зольный короб с дверкой для чистки.

Водоохлаждаемая топка

Водоохлаждаемая топка состоит из труб по которым течет вода. Охлаждение колосников предохраняет их от перегрева и прогорания. Между труб приварены полосы металла с отверстиями. Отверстия способствуют равномерному распределению воздуха по всей площади. Маленький размер отверстий не дает провалиться в зольник недогоревшему топливу.

Для догорания легких и мелких топливных частиц, которые захватываются потоком уходящих газов, на выходе из топочной камеры котла перед конвективным пучком установлена поворотная камера.

Конвективная часть

Конвективная поверхность котла 800 кВт под уголь и дрова выполнена из плотных регистров, вставленных друг в друга в шахматном порядке. Это обеспечивает значительную нагревательную площадь, высокий коэффициент передачи тепла и компактность котла. В связи с этим горячие дымовые газы подвергаются охлаждению до 800-180 °С.

Гидравлическая схема котла

Конструкция угольно дровяного котла 800 кВт предполагает минимальные требования к водоподготовке. Скорость движения воды в трубах вызывает турбулизацию водного потока, что препятствует отложению солей и образованию накипи на стенках труб. Коллекторы котла снабжены многочисленными перегородками, которые не допускают образование застойных зон, возникновение теплового напряжения в трубах и перегрев.

Комплект поставки

Цена на котел 800 кВт уголь дрова включает базовую комплектацию. В состав базовой комплектации входит: котельный блок, топка, вентилятор поддува, колосники затворы, предохранительные клапаны, вентили, манометры, термометры, трехходовые краны.

Дополнительная комплектация

  • автоматика – обеспечивает управление и безопасность котла;
  • дымосос – создает разряжение в котле и исключает попадание дыма в помещение;
  • золоуловитель – применяется для улавливания золы из дымовых газов;
  • циркуляционный насос - обеспечивает циркуляцию воды в котлоагрегате;
  • подпиточный насос – позволяет пополнять объем теплоносителя в контуре.

Купить котел 800 кВт дрова уголь

Для того чтобы купить угольно дровяной котел 800 кВт в Сарани вы можете сделать заявку по телефону +7-7172-69-59-73, либо оформить заявку онлайн. Менеджеры дадут консультацию по подбору вспомогательного оборудования для выбранных вами моделей и рассчитают стоимость доставки. Транспортирование котлоагрегата и вспомогательного оборудования до объекта осуществляется автомобильным транспортом.

Комплект поставки

Вентилятор
Вентилятор 2 с дв. 2,2/3000
1 штука
Затвор Ду 80
Затвор Ду 80
2 штуки
Колосники котлов
Колосник 840x220
6 штук
Клапан предохранительный Ду 50
Клапан Ду 50
1 штука
Клапан обратный
Клапан обратный
1 штука
Манометр МП 160
Манометр МП 160
2 штуки
Кран трехходовой ДУ 15
Кран Ду 15
2 штуки
Термометр ТТЖО
Термометр ТТЖО
2 штуки
Оправа термометра ОПТ
Оправа ОПТ
2 штуки
Вентиль Ду 15
Вентиль Ду 15
4 штуки
Вентиль Ду 20
Вентиль Ду 20
9 штук

Дополнительно потребуется

Насос К консольный
К 80-65-160
Цена 497 545 тг.
Насос К консольный
К 50-32-125
Цена 313 025 тг.
Насос TD
Насос TD40-36G2 (5.5 кВт)
Цена 1 447 164 тг.
Насос TD
Насос TD50-28G2 (4 кВт)
Цена 1 117 664 тг.
Насос CHL
Насос CHL4-40 (0.75 кВт)
Цена 378 925 тг.
Дымосос ДН 3.5
Цена 368 381 тг.
Золоуловитель ЗУ 0.8
Цена 336 090 тг.
Дымосос ДН 6.3
Цена 642 525 тг.

Похожая продукция

800 кВт котел на дровах
Цена 4 000 130 тг.
Угольный котел 800 кВт
Цена 3 716 760 тг.
На опилках котел 800 кВт
Цена 13 990 570 тг.
Котел 700 кВт дрова уголь
Цена 3 637 680 тг.
Котел 900 кВт дрова уголь
Цена 3 835 380 тг.

Сертификаты товара

Сертификат на водогрейные котлы на твердом и жидком топливе
Сертификат на водогрейные котлы на твердом топливе

Собственное производство

Котельный завод производит
  • Паровые котлы от 300 кг до 2.5 тонны пара в час
  • Промышленные водогрейные котлы от 150 КВт до 4 МВт на всех видах топлива
  • Механические топки ТШПМ, шурующая планка и ТЛПХ, ленточное полотно прямого хода
  • Циклоны для очистки воздуха и дымовых газов для производств и промышленных отраслей
  • Транспортеры и системы топливоподачи и шлакоудаления
Подробнее о производстве
Собственное производство
Смотреть видео
с производства